воскресенье, 10 февраля 2013 г.

схемы электроснабжения освещение

Схема электроснабжения квартиры с газовой плитой

с рекомендуемыми сечениями медных проводников.

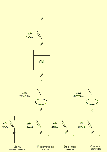
Схема электроснабжения квартиры с электроплитой

(временное решение для старого жилого фонда)

защитного проводника в PE в розеточной цепи и цепи освещения

Схема электроснабжения квартиры при отсутствии

Схема электроснабжения квартиры

здания, коттеджа.

Схемы электроснабжения квартиры, мастерской, мобильного

Схемы электроснабжения

/ / Схемы электроснабженияСхемы электроснабжения

Производство всех видов корпусов для электрощитового оборудования: ШСР, КВРУ, КЩО-70, ЩМП, ЩУРн, ЩУ, КШУ, КЩЭ, ЩРн и др.http://www.asd-e.ru

Доставка до транспортной компаний и отправка в любой регион России.http://elpromservice.su

Электростанции в труднодоступных районах! Проект и монтаж. Опыт 44 года!http://niimestprom-comp.ru

Оборудование для: промышленной автоматизации; электрощитового монтажа; распределения электроэнергии.http://www.cety-telekom.ru

Кабельные лотки перфорированные и глухие, лотки лестничные, кабельные стойки и полки, короба блочные по ценам производителя.http://www.asd-e.ru

издательской группы «Индастриал Медиа»:

Отраслевые порталы и журналы

Главныйжурналэлектротехническойотрасли

Схемы электроснабжения - электротехнический портал Рынок электротехники

Комментариев нет:

Отправить комментарий